본문바로가기
ENG
Sitemap
회사소개
인사말
연혁
조직도
인증현황
오시는 길
제품소개
제품 자료
스크류잭
볼스크류잭
트러니언베이스 외
태양광 추적식
마이타 기어박스
웜 기어박스
리드 스크류
기술자료
카탈로그
도면
고객센터
공지사항
자주묻는질문
견적 및 제품문의
제품소개
제품 자료
스크류잭
볼스크류잭
트러니언베이스 외
태양광 추적식
마이타 기어박스
웜 기어박스
리드 스크류
스크류잭
축승강형의 특징
축승강형 JS 32형
축승강형 JS 44형
축승강형 JS 56형
축승강형 JS 66형
축승강형 JS 66S
축승강형 JS 73형
축승강형 JS 95형
축승강형 JS 135형
너트 승강형의 특징
너트 승강형 JS 32형
너트 승강형 JS 44형
너트 승강형 JS 56형
너트 승강형 JS 66형
너트 승강형 JS 66S
너트 승강형 JS 73형
너트 승강형 JS 95형
축승강형 JS 155형
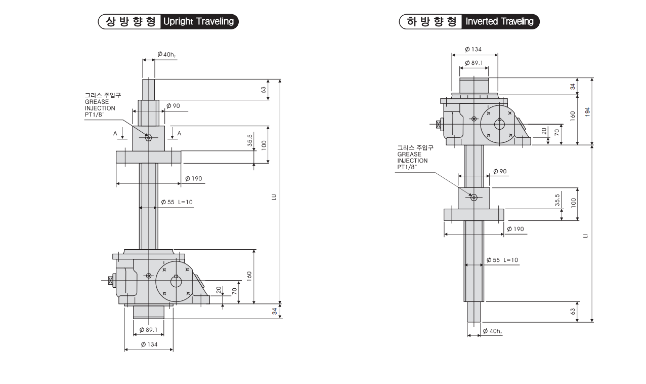
스크류잭
너트 승강형 JS 66S
도면 다운로드
견적문의
010-4764-2981
031-983-6951
032-564-6995
jinsung6993@hanmail.net
캐드도면 다운로드